Skip links

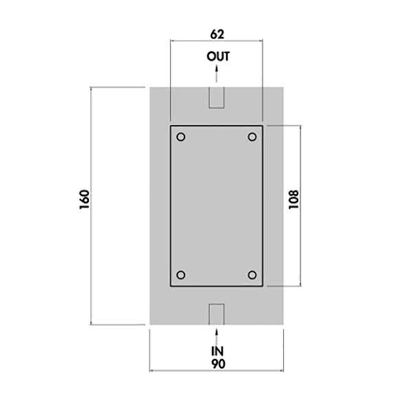
LCP 90×20/160 – FSW

Meccal

LCP 90×20/160 – FSW

DATI TECNICI

Larghezza:

90

Altezza:

108

Lunghezza:

160

Kg/m

Rth,N

0 K/W

Rth,F

0 K/W

Base Plate: Al EN AW-1050A, 20mm thick
Liquid: H2O, Tin 40°C
Pd: 1 kW

Scopri i nostri prodotti

Una gamma completa di dissipatori estrusi, saldati, assemblati ad alte prestazioni, sistemi a clips e ad alette resinate e brasate, piatti raffreddati a liquido prodotti con diverse tecnologie.

Contattaci

Richiedi maggiori
informazioni

Mecc.Al è specializzata nella progettazione e produzione di dissipatori di calore e supporti meccanici per l'industria elettronica.

Richiesta Informazioni - FOOTER - ITA

Discover our products

A complete range of high-performance extruded, welded, and assembled heatsinks, clip-on, brazed, and resin-coated fin systems, and liquid-cooled platters produced using various technologies.

Contact us

Request more
information

Mecc.Al specializes in the design and production of heat sinks and mechanical supports for the electronics industry.

Richiesta Informazioni - FOOTER - ENG

Entdecken Sie unsere Produkte

Ein komplettes Sortiment an Hochleistungs-Kühlkörpern, die extrudiert, geschweißt und montiert werden, anclipsbaren, gelöteten und harzbeschichteten Lamellensystemen sowie flüssigkeitsgekühlten Plattentellern, die mit verschiedenen Technologien hergestellt werden.

Kontakt

Weitere Informationen anfordern

Mecc.Al ist spezialisiert auf die Entwicklung und Produktion von Kühlkörpern und mechanischen Halterungen für die Elektronikindustrie.

Richiesta Informazioni - FOOTER - DE

Ricerca avanzata

Trova subito il prodotto ideale
[wpdreams_ajaxsearchpro id=1]
Dissipatori raffreddati
AD ARIA
Piatti raffreddati
A LIQUIDO
Piastre e placche
ALplate